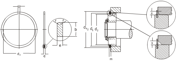
Anel de Travamento para Rolamentos Tipo “SP” – DIN 5417

O Anel é o sistema de fixação mais aplicado universalmente. Ele transfere altas cargas axiais do elemento fixado para as paredes da ranhura, atuando como um anteparo quando montado em ranhuras de furos e eixos. Vários tipos de anéis de retenção estão disponíveis para se adequar a vários tipos de aplicações.

Produtos Relacionados

PARAFUSO SEXTAVADO ROSCA TOTAL – INOX

PARAFUSO SEXTAVADO ROSCA TOTAL

PARAFUSO SEXTAVADO ROSCA PARCIAL

PARAFUSO SEXTAVADO SOBERBA

PARAFUSO SEXTAVADO A325

PARAFUSO SEXTAVADO BROCANTE

Seja um Distribuidor AutoInd

Buscamos representantes comprometidos em levar nossa qualidade a todo o Brasil.